| Sign In | Join Free | My wneducation.com |
|
Brand Name : HENGXIANG
Model Number : K130 Series relative rotary encoder
Certification : CE,ISO9001
Place of Origin : Shanghai,China
MOQ : 1pcs encoder
Price : negotiable
Payment Terms : D/A, D/P, T/T, Western Union, Credit Card, Master Card,Paypal, etc
Supply Ability : 100K pieces per year
Delivery Time : 3-5 working days for sample order, 7-15 working days for mass order
Packaging Details : each 1 piece was packed into single carton box
Keywords : relative rotary encoder
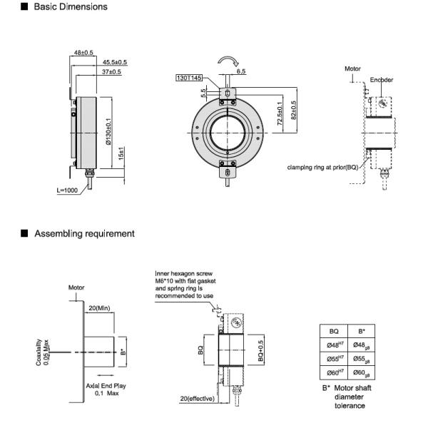
External diameter : 130mm
Thickness : 48mm
Hollow shaft type : through hole (clamping ring at prior)
Resolution : 1024;2048;4096;8192;16384;32768;65536
Package : Carton box
Outlet type : Socket out from side
Signal Circuit : TTL, HTL
Installation size 150mm K130 hollow shaft encoder 55mm 65536 resolution for CNC machine
Our Service
Related model number of K130 Series
K130-T2F1024BQ48
K130-T3FH2048 BQ55
K130-T4C4096 BQ60
K130-T6E8192 BQ48
K130-T2F16384 BQ55
K130-T3F32768 BQ60
K130-T4E65536 BQ48
K130-T6C1024 BQ55
K130 Encoder Product introduction
| Items | Basic parameters |
| Brand | HENGXIANG |
| Encoder type | Incremental encoder |
| External diameter | 158mm |
| Thickness | 43mm |
| Installation dimension | R85mm(spring plate 158T170) |
| Hollow shaft type | through hole (clamping ring at prior) |
| Hollow shaft diameter | 70mm,75mm,78mm;80mm;82mm |
| Resolution | 1024;2048;20000;40000;80000 |
| Output phase | Phase A+,B+,Z+,A-,B-,Z- |
| Supply voltage | DC5V ; DC8-30V |
| Outlet type | Cable out from side |
| Output mode | Push-pull output |
| line drive (26LS31) TTL | |
| line drive(DC8-30V) HTL | |
| Consumption current | 100mA MAX |
| Top response frequency | 300KHZ |
| Insulation resistance | 10MΩ |
| GND | not connect to encoder |
| starting torque | less than 400 x 10-3 N.m |
| Intertia moment | less than 350x 10-6kg.m2 |
| Shaft load | Radial 90N; Axial 60N |
| Top REV | 3000RPM |
| Environmental temperature | Operating:-20 ~+80°;storage:-25 ~+85° |
| Environmental humidity | Operating and storage: 35-85%RH(noncondensing) |
| Vibration(endure) | Amplitude 1.52mm,5-55Hz,2 hours for three axis individually |
Usage for K130 large hole encoder
Matters needing attention
1. Must choose the power supply voltage: DC5V or DC8-30V
2. Must choose leaf spring plate model number if you select hollow shaft encoder
3. Please advise the motor speed (RPM) that you actually use
4. If you have any other requirements, please provide detail parameters
Notice for encoder installation
1. Please read the encoder specification carefully before installation
2. Encoder is belong to precision instrument, so we should avoid shock or vibration to protect interior parts.
3. The power supply voltage must be holded within specified range, or encoder could be destroyed.
4. Notice coaxially requirements when you install the power shaft, please use flexible coupling and do not press encoder forcibly.
5. Shielding cable of encoder must be connected to avoid electromagnetism interference of alternating current, cables of encoder should be layout individually.
6. Wiring diagram connection should be strictly follow the specified color in catalogue, or encoder interior circuit may be destroyed
7. Encoder should be apart from powerful magnetic field, dust, oil, water, higher (lower) temperature and caustic or flammable material during working.
8. The encoder cable signal can’t be drew or bent forcibly.

|
|
K130 55mm Hollow Shaft Elevator Encoder , Relative Rotary Encoder 65536 Resolution For CNC Machine Images |